双手按钮安全控制
2023-10-31
参数:
| 型号 | SR4P2A1B24S |
| 复位模式 | 手动或自动 |
| 输出触点 | 4N/O |
| 工作电源 | DC24V |
| 功耗 | 3W |
| 平均无危险故障时间 | 398a |
| 平均每小时危险失效率 | 2.0×10-8 |
| 切换容量 | AC-15,5A/250V; DC-13,6A/24V |
| 释放缓冲时间 | <15ms |
| 诊断覆盖率/DC | >99% |
| 防护等级 | IP50 |
| 工作温度 | -10 ~+55℃ |
| 储存温度 | -40 ~+85℃ |
| 导线截面积 | 最大 2.5mm2 |
| 线缆长度 | 最长100m |
| 尺寸 | 96(L)×22.5(W)×116(H)mm |
| 符合标准 | EN 60947-5-1, EN 61000-6-2, EN 61000-6-3, IEC/EN 60204-1, EN ISO 13849-1 |
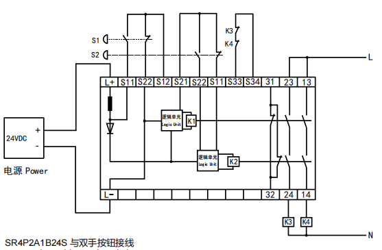
接线:

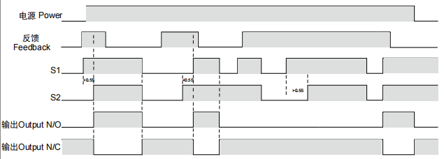
时序图:
