
-
-
-
NPN/PNP输出接线
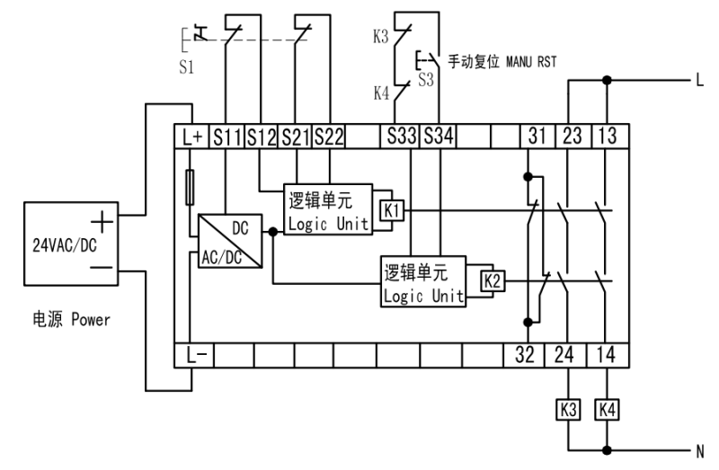
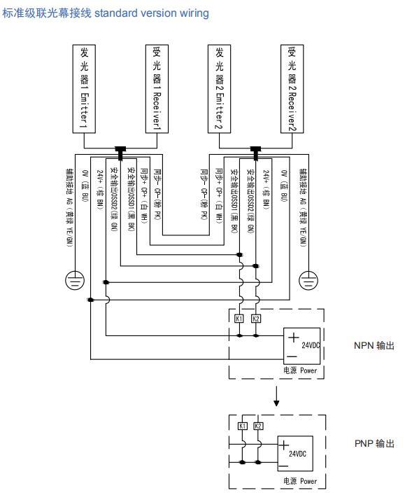
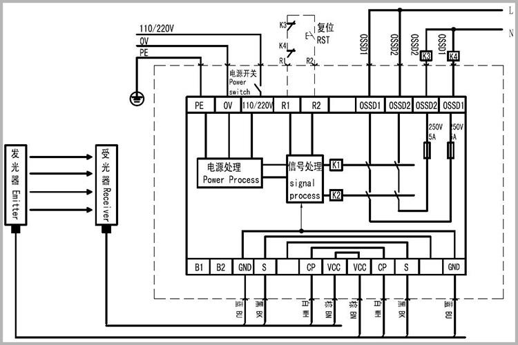
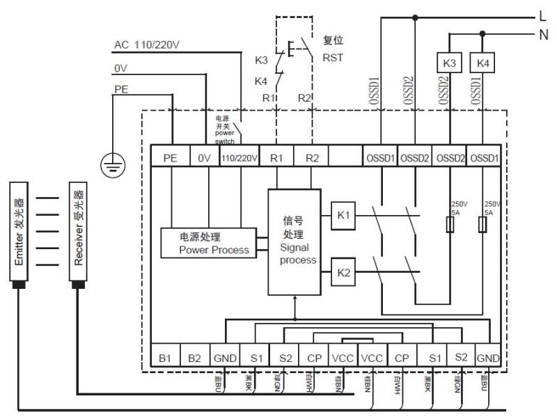
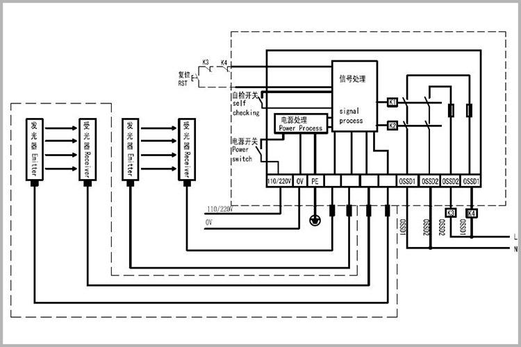
SNA/B/C/Q,STD/Q,SQL型安全光幕NPN/PNP型输出传感器(发光器、受光器)和控制单元的接线:SND/E系列安全光幕NPN/PNP输出接线:S4系列安全光幕NPN/PNP输出接线:SFA系列安全光幕NPN/PNP输出接线:MC系列安全光幕NPN/PNP输出接线:MCII系列安全光幕NPN/PNP输出接线:S...
2023-10-31
-
-
-
-
SNA/B/C/Q,STD/Q,SQL型安全光幕NPN/PNP型输出传感器(发光器、受光器)和控制单元的接线:SND/E系列安全光幕NPN/PNP输出接线:S4系列安全光幕NPN/PNP输出接线:SFA系列安全光幕NPN/PNP输出接线:MC系列安全光幕NPN/PNP输出接线:MCII系列安全光幕NPN/PNP输出接线:S...
2023-10-31