蜜桃成品人视频免费入口-免费完整版片

中文 | English
山东莱恩光电科技有限公司
  • 网站首页
  • 关于我们
    • 公司简介
    • 企业文化
    • 荣誉资质
    • 人力资源
  • 新闻动态
    • 公司新闻
    • 行业新闻
  • 产品展示
    • 光电保护装置
    • 检测光栅
    • 光电传感器
    • 激光雷达
    • 安全继电器模块
    • 安全地垫
    • 安全触边
    • 安全模块
    • 激光安全保护装置
    • 误送检测装置
    • 模具精度检知器
    • 荷重监视系统
  • 国际合作
    • 日本理研
  • 解决方案
    • 人身安全解决方案
    • 模具安全解决方案
    • 工业自动化安全控制
  • 技术支持
    • 产品样本
    • 产品说明书
    • 安装说明
    • 接线说明
    • 配置软件
    • 认证查询
  • 订货须知
    • 订货须知
  • 联系我们
    • 联系我们
    • 销售网络
    网站首页 > 接线说明 > SND/E系列级联光幕接线

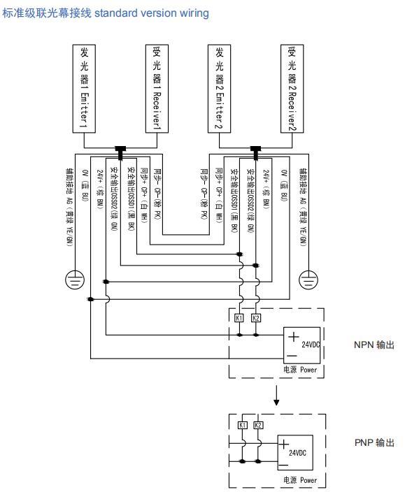
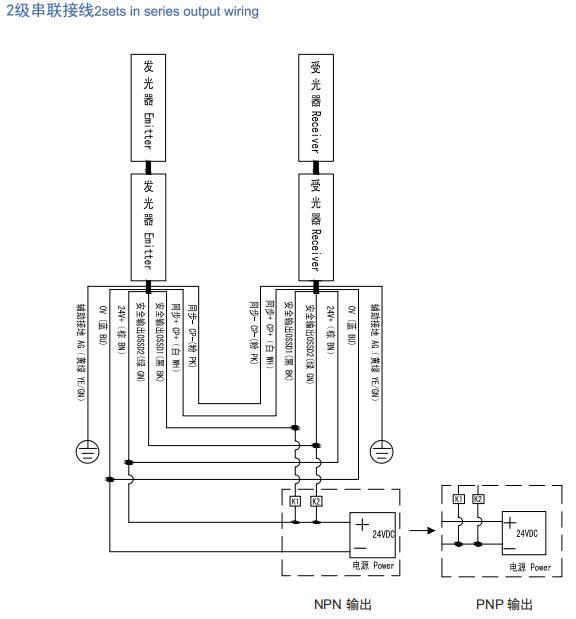
SND/E系列级联光幕接线

2023-10-31

蜜桃成品人视频免费入口

蜜桃成品人视频免费入口

蜜桃成品人视频免费入口

上一篇:NPN/PNP输出接线

下一篇:MCM系列检测光栅接线

x新闻资讯

  • 内置式控制器(ND型)的接线
  • 外置式控制器(W/WD/S型)的接线
  • 内置式控制器(N型)的接线
  • SR型控制器接线

热门推荐

区域防护安全光幕 区域防护安全光幕
SFD系列安全光幕 SFD系列安全光幕
ST4系列安全光幕(TUV认证) ST4系列安全光幕(TUV认证)
MCI 系列安全光幕 MCI 系列安全光幕
SFC系列安全光幕 SFC系列安全光幕
SFA/B系列无盲区安全光幕 SFA/B系列无盲区安全光幕
MC II系列安全光幕 MC II系列安全光幕
SND/E/G系列4级安全光幕 SND/E/G系列4级安全光幕
MCM系列测量光栅 MCM系列测量光栅
LDR-1000系列激光雷达 LDR-1000系列激光雷达
SLDR-1000系列安全激光扫描仪 SLDR-1000系列安全激光扫描仪
SR4P2A1B24C SR4P2A1B24C

产品分类

  • 光电保护装置
  • 检测光栅
  • 光电传感器
  • 激光雷达
  • 安全继电器模块
  • 安全地垫
  • 安全触边
  • 安全模块
  • 激光安全保护装置
  • 误送检测装置
  • 模具精度检知器
  • 荷重监视系统

关于我们

  • 公司简介
  • 企业文化
  • 荣誉资质
  • 人力资源

新闻动态

  • 公司新闻
  • 行业新闻

技术支持

  • 产品样本
  • 产品说明书
  • 安装说明
  • 接线说明
  • 配置软件
0537-3169707/808

周一至周六 08:30~17:30

公司:山东莱恩光电科技有限公司     免费热线:400-618-3915

地址:济宁高新区山博路西首

电话:0537-3169707/808      传真:0537-3166661      Email:[email protected]

网址:http:/

蜜桃成品人视频免费入口提供测量光栅,安全光幕,安全光栅,安全继电器,安全地毯,安全地垫,下死点检知器,误送检出装置

备案号:鲁ICP备16041279号 营业执照公示