SR4P2A1B24C
用于监控安全光幕(NPN,PNP输出)和光电式双手按钮特点:1、可检测输入触点的短路故障;2、具有自我监控的电路;3、工作状态实时监测。Ple;安全类别:Cat.4;SIL3参数:复位模式手动或自动输出触点2N/O,1N/C工作电源DC24V功耗3W平均无危险故障时间94a切换容量AC-15,5A/250V;DC-13,6A/24V释放缓冲时间99%防护等级IP50...
用于监控安全光幕(NPN,PNP输出)和光电式双手按钮
特点:
1、可检测输入触点的短路故障;
2、具有自我监控的电路;
3、工作状态实时监测。
Ple;安全类别:Cat.4; SIL3
参数:
|
复位模式 |
手动或自动 |
| 输出触点 | 2N/O,1N/C |
| 工作电源 | DC24V |
| 功耗 | 3W |
| 平均无危险故障时间 | 94a |
| 切换容量 | AC-15,5A/250V; DC-13,6A/24V |
| 释放缓冲时间 | <15ms |
| 诊断覆盖率/DC | >99% |
| 防护等级 | IP50 |
| 工作温度 | -10 ~+55℃ |
| 储存温度 | -40 ~+85℃ |
| 导线截面积 | 最大 2.5mm2 |
| 线缆长度 | 最长100m |
| 尺寸 | 96(L)×22.5(W)×116(H)mm |
| 符合标准 | EN 60947-5-1, EN 61000-6-2, EN 61000-6-3, IEC/EN 60204-1, EN ISO 13849-1, |
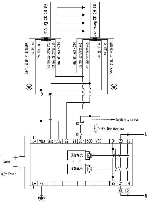
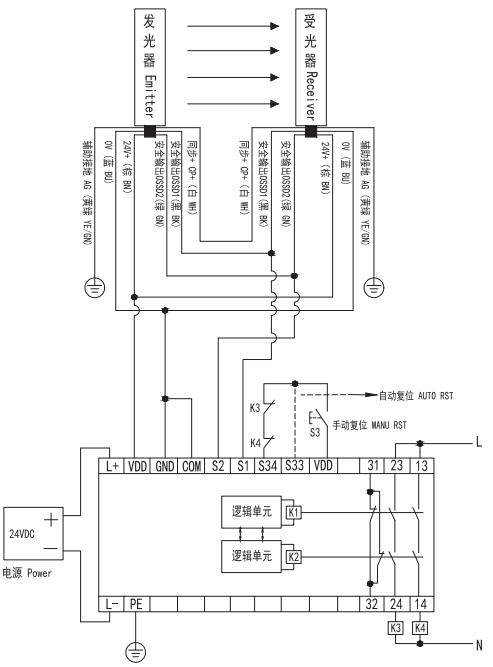
接线图:
安全光幕NPN输出:

安全光幕PNP输出:
