SNA/B/Q系列安全光幕
特点:◆规格型号齐全,安装方便,接线简单;◆完善的自检功能;◆抗电磁、光干扰能力强;◆抗振性强,防水、防尘性能优越;◆配控制器提供双路继电器信号输出,可选双路NPN/PNP信号输出;◆LED指示工作及故障状态;◆可配置S型外置控制器提供双面防护;◆具有安全监控的双路PNP输出(NPN输出可...
特点:
◆规格型号齐全,安装方便,接线简单;
◆完善的自检功能;
◆抗电磁、光干扰能力强;
◆抗振性强,防水、防尘性能优越;
◆配控制器提供双路继电器信号输出,可选双路NPN/PNP信号输出;
◆LED指示工作及故障状态;
◆可配置S型外置控制器提供双面防护;
◆具有安全监控的双路PNP输出(NPN输出可定制) (SNC)。
技术参数:
| 系列 | A系列 | B系列 |
| 保护长度 | 0~3000mm | 0~8000mm |
| 保护高度 | 见选型表 | |
| 光轴间距 | 20mm, 40mm, 80mm | |
| 检测精度 | 30mm, 50mm, 100mm | |
| 工作电源 | DC12V~24V | |
| 工作电流 | <200mA | |
| 负载电流 | <200mA | |
| 响应时间 | <10ms | |
| 诊断覆盖率 | >99% | |
| 平均无危险故障时间 | 120a | |
| 防护等级 | IP65 | |
| 工作温度 | –10°C ~ +55°C | |
| 环境湿度 | 20°C, RH ≤ 85% | |
| 抗光干扰 | 10000Lux (入射角≥ 5°) | |
| 抗振动 | 频率Frequency:10~55Hz, 振幅:0.35mm | |
| 抗冲击 | 15g, 16ms, X,Y,Z轴,每轴1000次 | |
选型表:

| 光轴间距 20mm | 光轴间距 40mm | 光轴间距 80mm | |||||||||||||||
| 规格 | 光束 | H1 | L | F | J | 规格 | 光束 | H1 | L | F | J | 规格 | 光束 | H1 | L | F | J |
| SN□0620 | 06 | 150 | 185 | 70 | 220 | SN□0440 | 04 | 210 | 225 | 110 | 290 | SN□0280 | 02 | 260 | 225 | 110 | 290 |
| SN□0820 | 08 | 190 | 225 | 110 | 290 | SN□0640 | 06 | 290 | 305 | 190 | 370 | SN□0480 | 04 | 420 | 385 | 270 | 450 |
| SN□1020 | 10 | 230 | 265 | 150 | 320 | SN□0840 | 08 | 370 | 385 | 270 | 450 | SN□0680 | 06 | 580 | 545 | 420 | 610 |
| SN□1220 | 12 | 270 | 305 | 190 | 370 | SN□1040 | 10 | 450 | 465 | 330 | 530 | SN□0880 | 08 | 740 | 705 | 580 | 770 |
| SN□1420 | 14 | 310 | 345 | 230 | 410 | SN□1240 | 12 | 530 | 545 | 420 | 610 | SN□1080 | 10 | 900 | 865 | 700 | 950 |
| SN□1620 | 16 | 350 | 385 | 270 | 450 | SN□1440 | 14 | 610 | 625 | 500 | 690 | SN□1280 | 12 | 1060 | 1025 | ||
| SN□1820 | 18 | 390 | 425 | 310 | 490 | SN□1640 | 16 | 690 | 705 | 580 | 770 | SN□1480 | 14 | 1220 | 1185 | ||
| SN□2020 | 20 | 430 | 465 | 330 | 530 | SN□1840 | 18 | 770 | 785 | 620 | 850 | SN□1680 | 16 | 1380 | 1345 | ||
| SN□2220 | 22 | 470 | 505 | 370 | 570 | SN□2040 | 20 | 850 | 865 | 700 | 950 | SN□1880 | 18 | 1540 | 1505 | ||
| SN□2420 | 24 | 510 | 545 | 420 | 610 | SN□2240 | 22 | 930 | 945 | SN□2080 | 20 | 1700 | 1665 | ||||
| SN□2620 | 26 | 550 | 585 | 460 | 650 | SN□2440 | 24 | 1010 | 1025 | ||||||||
| SN□2820 | 28 | 590 | 625 | 500 | 690 | SN□2640 | 26 | 1090 | 1105 | ||||||||
| SN□3020 | 30 | 630 | 665 | 540 | 730 | SN□2840 | 28 | 1170 | 1185 | ||||||||
| SN□3220 | 32 | 670 | 705 | SN□3040 | 30 | 1250 | 1265 | ||||||||||
| SN□3420 | 34 | 710 | 745 | SN□3240 | 32 | 1330 | 1345 | ||||||||||
| SN□3620 | 36 | 750 | 785 | SN□3440 | 34 | 1410 | 1425 | ||||||||||
| SN□4020 | 40 | 830 | 865 | SN□3640 | 36 | 1490 | 1505 | ||||||||||
| SN□4420 | 44 | 910 | 945 | SN□4040 | 40 | 1650 | 1665 | ||||||||||
| SN□4820 | 48 | 990 | 1025 | SN□4440 | 44 | 1810 | 1825 | ||||||||||
| SN□5220 | 52 | 1070 | 1105 | SN□4840 | 48 | 1970 | 1985 | ||||||||||
| SN□5620 | 56 | 1150 | 1185 | SN□5240 | 52 | 2130 | 2145 | ||||||||||
| SN□6020 | 60 | 1230 | 1265 | SN□5640 | 56 | 2290 | 2305 | ||||||||||
| SN□6420 | 64 | 1310 | 1345 | SN□6040 | 60 | 2450 | 2465 | ||||||||||
| SN□6820 | 68 | 1390 | 1425 | SN□6440 | 64 | 2610 | 2625 | ||||||||||
| SN□7220 | 72 | 1470 | 1505 | SN□6840 | 68 | 2770 | 2785 | ||||||||||
| SN□7240 | 72 | 2930 | 2945 | ||||||||||||||
*注:□: A系列: 0~3m; B系列: 0~8m、Q系列: 0~6m(2面),0~4m(3面)
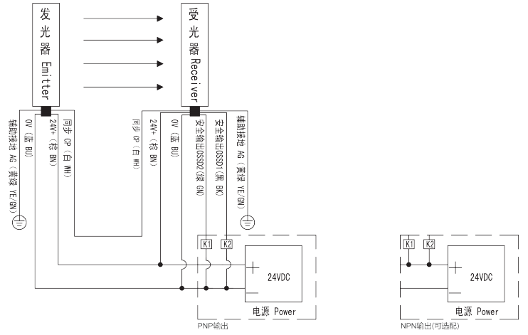
接线图:
