SR2P4A24
ProductFeatures:1、Extensionforsafeoutputcontacts;2、Detectableshortcircuitfaultsininputcontacts;3、Redundantcircuitwithselfmonitoring;4、LEDindicatesworkingandfaultstatus;5、Dualchanneloperation;6、35mmDIN...
Product Features:
1、Extension for safe output contacts;
2、Detectable short circuit faults in input contacts;
3、Redundant circuit with self monitoring;
4、LED indicates working and fault status;
5、Dual channel operation;
6、35mm DIN rail installation.
Technical Parameter:
|
power supply |
24VDC |
|
voltage tolerance |
85-110% |
|
consumption |
3W |
|
Switching capacity meets(EN60947-5-1) |
AC-15,5A/250V;DC-13,6A/24V |
|
Output contact |
4N/O |
|
Contact fuse protection |
4A T/6A F |
|
Automatic reset time |
35ms |
|
Manual reset time |
30ms |
|
operation temperature |
-10~+55℃ |
|
storage temperature |
-40~+85℃ |
|
Vibration requirements |
EN60068-2-6 |
|
Housing protection |
IP50 |
|
Maximum wire cross-sectional size |
0.2-2.5mm2 |
|
size |
96*22.5*116mm |
|
weight list |
330g |
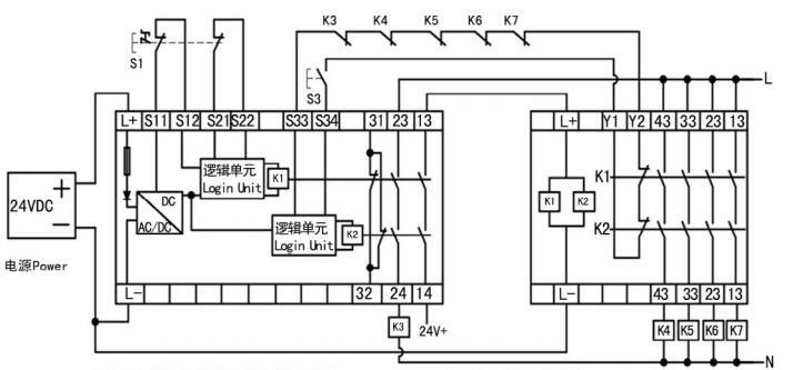
Wiring diagram:
