SR4P2A1B22
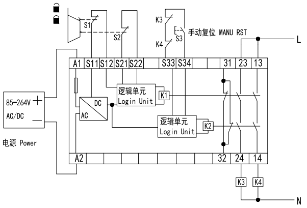
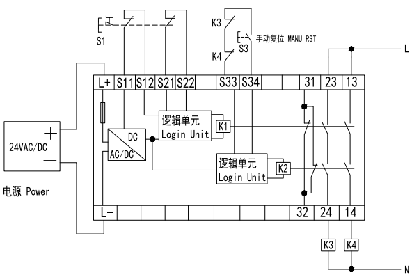
Usedformonitoringemergencystopswitchesandsafetydoorswitches!characteristic:1、Detectableshortcircuitfaultsininputcontacts;2、Canchoosebetweencontrolledmanualresetandautomaticreset;3、Circuitwithselfmonit...
Used for monitoring emergency stop switches and safety door switches!
characteristic:
1、Detectable short circuit faults in input contacts;
2、Can choose between controlled manual reset and automatic reset;
3、Circuit with self monitoring;
4、Real time monitoring of working status.
PL e;Security category:Cat.4; SIL 3
Main parameters:
| model | SR4P2A1B22 |
| RESET MODE | Manual or automatic |
| Working power supply | DC/AC85-264V |
| consumption | 3W |
| Output contact | 2N/O,1N/C |
| switching capacity | AC-15,5A/250V; DC-13,6A/24V |
| Release buffer time | <15ms |
| Diagnostic Coverage | >99% |
| Mean time between dangerous failures | 60a |
| Average hourly hazardous failure rate | 4.7×10-8 |
| protection grade | IP50 |
| operation temperature | -10 ~+55℃ |
| storage temperature | -40 ~+85℃ |
| Wire cross-sectional area | Max. 2.5mm2 |
| Length | Longest Max. 100m |
| size | 96(L)×22.5(W)×116(H)mm |
| Compliant with standards | EN 60947-5-1, EN 61000-6-2, EN 61000-6-3, IEC/EN 60204-1, EN ISO 13849-1 |
Wiring diagram:
exit:

EMERGENCY STOP:
